For a larger view of images, right click on the image and select "Open in a new tab"
Upgrade and Replace: Danfoss OMR, Maxim and Dynamic BMRS, Eaton S, Char-Lynn 103 series
Hydraulic Orbital Motors are used for converting hydraulic energy into low-speed high torque rotary motion. Can be used for conveyors, rotating gear and chain drives, platform rotation, robotic arms, wheel drives (check maximum side load, a secondary load carrying bearing may be needed). Used in industrial, mobile, construction, agricultural plastic, and machine tool sectors.
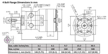
Choose between 4 bolt or 2 bolt SAE flange type. Choose the cc/rev. displacement needed based on your input flow and pressure and the resulting torque and rpm needed.
- Fluiidhaus motors are professional grade motors used by many famous equipment manufacturers for reliable long life operation.
- Geroler design for smooth and efficient rotation
- Thrust Needle bearings for radial and axial shaft load support with a compact design
- Internal spool valve for efficient oil distribution
- Shaft can rotate clockwise or counterclockwise
- High pressure shaft seal permits high back pressure from the low-pressure port (opposite of input pressure port). Up to 725psi continuously.
- Ships from the USA













