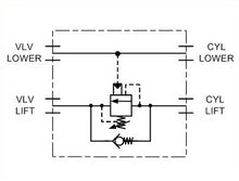
Counterbalance valves hold an actuator from moving without the need of an active supply pressure. Typically used to hold a load for safety if a line is broken or power is lost. The counterbalance pressure setting should be 1.3 times the pressure to hold the load.
- Operating pressure = 1015 to 3045 psi (70 to 210bar)
- Maximum Pressure = 4060 psi (280bar)
- Flow Rate = 15.9 GPM (60LPM) at 300 psi pressure drop. Reference Flow vs. Pressure graph below.
- Pilot Ratio = 3:1
- Check Valve Spring Opening: 25psi (1.7 bar)
- Seals = Viton
- Temperature range = -22 to 230 deg. F(-30 to 110 deg. C)
- Cavity = T-11A
- Cartridge installation torque = 354 to 400 in-lbs. (40-45Nm)
- Leakage = 5 drops/min. at 3000 psi (210 bar)
- Oil filtration = 25 micron or better
- Ports 1, 2, 3 and 4 = SAE -8 O-ring Boss, 3/4-16 thread, Nominally 1/2"





